Accedi
Gruppo Marcora Unitek 1878 S.p.a.
Configuratore guide lineari

Configuratore guide lineari

ACCEDI

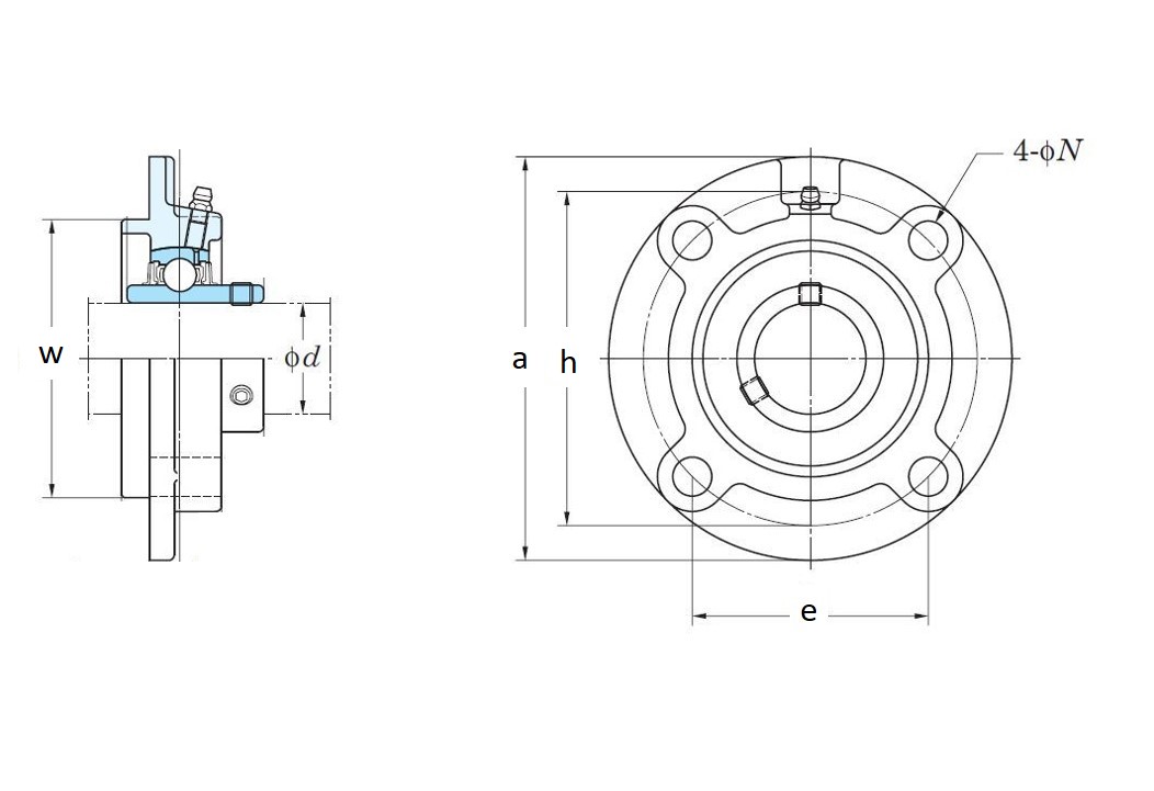
SERIE UCFC INA

  Codice Descrizione Scheda Tecnica

04213863

SUPPORTO FAG UCFC 207

25725794

SUPPORTO FAG UCFC 205

26103708

SUPPORTO TONDO 4 FORI FAG UCFC201

34948801

SUPPORTO FAD UCFC 203

45357456

SUPPORTO FAG UCFC 208

76092396

SUPPORTO FAG UCFC 204

84937490

SUPPORTO FAG UCFC 209

95346145

SUPPORTO FAG UCFC 211

98495888

SUPPORTO TONDO 4 FORI FAG UCFC202

04350592

SUPPORTO SKF UCFC 205

75658887

SUPPORTO SKF FYTJ30 TF ( UCFL206 )

51571327

SUPPORTO FAG UCFC 212

35844053

SUPPORTO FAG UCFC 210

64142010

SUPPORTO ASAHI UCFC 214

01708698

SUPPORTO SKF UCFC 218

03013933

SUPPORTO SKF UCFL206/H